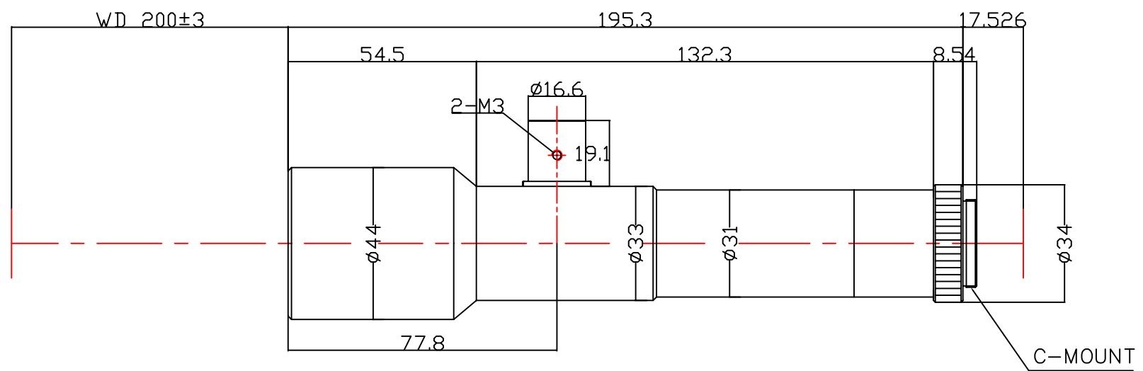
Lensagon TCST-40-200C
Standard Object Side Telecentric Lens for 1/2 inch sensor, Magnification: 4x, WD 200mm, F# 25, NA 0.08, DOF 125um, Opt.Dist. 0.13, Coaxial Version
Product Description
The Object Side Telecentric Lens TCST-40-200C is suitable for sensors with an image format of 1/2 inch.
| Magnification | 4 x |
| Working Distance (WD) | 200 mm |
| Depth of Field (DOF) | 125 μm @ 40 μm |
| Resolution (Object Side) | 4.20 μm |
| Image Format (max.) | 1/2 inch |
| Working F-Number | 25 |
| Numerical Aperture (NA) | 0.08 |
| Field of View (FOV) | 1.6mm x 1.2mm @ 1/2″ |
| Telecentric Type | Object Side |
| Telecentricity | 0.015 ° |
| Optical Distortion (max.) | 0.13 % |
| Mount | C-Mount * |
* Other mounts are available on request.
Additional Information



