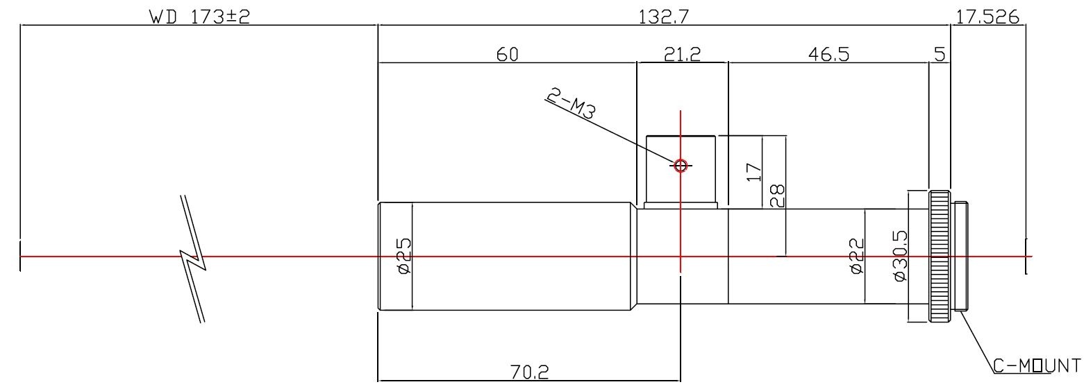
Lensagon TCST-12-173C
Standard Object Side Telecentric Lens for 1/2 inch sensor, Magnification: 1.2x, WD 173mm, F# 20, NA 0.03, DOF 1100um, Opt.Dist. 0.13, Coaxial Version
Product Description
The Object Side Telecentric Lens TCST-12-173C is suitable for sensors with an image format of 1/2 inch.
| Magnification | 1.20 x |
| Working Distance (WD) | 173 mm |
| Depth of Field (DOF) | 1.1 mm @ 40 μm |
| Resolution (Object Side) | 11.20 μm |
| Image Format (max.) | 1/2 inch |
| Working F-Number | 20 |
| Numerical Aperture (NA) | 0.03 |
| Field of View (FOV) | 5.3mm x 4.0mm @ 1/2 |
| Telecentric Type | Object Side |
| Telecentricity | 0.04 ° |
| Optical Distortion (max.) | 0.13 % |
| Mount | C-Mount * |
* Other mounts are available on request.
Additional Information



