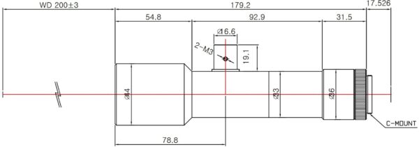
Lensagon TCST-15-200C
Standard Object Side Telecentric Lens for 2/3 inch sensor, Magnification: 1.50x, WD 200mm, Resolution 5.00, F# 11.20, NA 0.0670, DOF 398.00um, Opt.Dist. 0.08, Coaxial Version
Product Description
The Object Side Telecentric Lens TCST-15-200C is suitable for sensors with an image format of 2/3 inch.
| Working Distance (WD) | 200 mm |
| Depth of Field (DOF) | 398 μm @ 40 μm |
| Resolution (Object Side) | 5 μm |
| Image Format (max.) | 2/3 inch |
| Working F-Number | 11.20 |
| Numerical Aperture (NA) | 0.0670 |
| Field of View (FOV) | 5.86mm x 4.4mm @ 2/3 |
| Telecentric Type | Object Side |
| Telecentricity | 0.03 ° |
| Optical Distortion (max.) | 0.08 % |
| Mount | C-Mount * |
* Other mounts are available on request.
Additional Information



